1. 简介
IVY400D是一款采用NXP公司高集成度读卡芯片 MFRC400开发的IC卡读写模块,采用4层PCB设计,具有高可靠性、良好的电磁兼容性能。产品完全兼容ISO15693协议,可对I.Code 2,Tag-it等卡片的读写操作。
模块内部集成了ISO15693协议,开发人员只需通过通信接口发送简单的命令便可以完成对IC卡的读写操作,而无需理解复杂的IC卡通信协议;详尽的开发文档和完善的开发例程可大大减少您的产品开发难度,缩短产品开发周期,帮助您方便、快捷地将当今最流行的非接触式IC卡技术融入您的系统中。

2. 选型指南
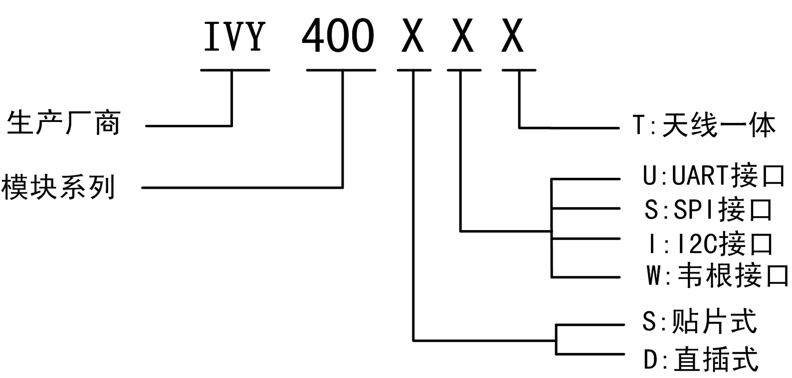
2.1IVY400D列模块命名规则

2.2选型表
IVY400D系列模块订购信息如表 。
型号直插式贴片式UARTSPI I2C天线一体
IVY400DU√——√ ——————
IVY400DS√————√ ————
IVY400DI√——————√ ——
IVY400DUT√——√ —— ——√
IVY400DST√————√ ——√
IVY400DIT√—————— √ √
4. 硬件描述
4.1管脚说明
IVY400D管脚分布如图所示。

器件管脚说明列表
管脚 符号功能
1GND天线GND
2TX1天线发射引脚TX1
3GND天线GND
4TX2天线发射引脚TX2
5GND天线GND
6RX1天线接收引脚TX2
7SCLK保留
8SDA保留
9SS保留
10VCC模块电源引脚
11RST模块复位引脚
12GND模块电源地
13RXDUART数据接收管脚RXD
14TXDUART数据发送管脚TXD
注:UART的波特率默认为19200bit/s,有特殊要求的用户请事先向销售工程师说明。
4.2接口方式和典型应用
4.3接口方式
IVY400D通过UART进行通信,用户只需通过UART发送简单的命令便可完成对IC卡的读、写操作。典型应用电路图如图所示。

5. 通信协议
5.1UART通信接口
UART数据帧格式:1个起始位、8个数据位、无奇偶校验位、1个停止位。
波特率:19200bps
主机每发送一个命令,模块都有应答。正常通信时,一帧数据中,发送两个字节数据的时间间隔不能大于6ms,若大于6ms,则作为超时处理。
6. 免责声明
●开发预备知识
IVY400系列模块将尽可能提供全面的开发模板、驱动程序和应用说明文档以方便用户使用,但也需要用户熟悉自己设计产品所采用的硬件平台及C语言相关知识。
●EMI与EMC
IVY400系列模块机械结构决定了其EMI性能必然与一体化电路设计有所差异。系列模块的EMI性能满足绝大部分应用场合,用户如有特殊要求,必然事先与红杏网联系。
IVY400系列模块的EMC性能与用户地板的设计密切相关,尤其是电源电路、I/O隔离、复位电路,用户在设计底板时必须充分考虑以上因素。红杏网将努力完善模块的电磁兼容性,但不对用户最终应用产品的EMC性能提供任何保证。
●修改文档的权利
广州红杏网信息科技有限公司保留任何时候在没有事先声明的情况下对IVY400系列模块相关文档修改的权利。
●ESD静电放电保护
IVY400系列模块部分元件内置ESD保护电路,但当模块的恶劣的环境中使用时,依然建议用户在设计底板时提供ESD保护措施。安装IVY400系列模块时,为确保安全请先将积累在身体上的静电释放,如佩戴可靠接地的静电环等;焊接过程中也应该注意释放静电,如确保焊接设备接地良好等。
◆四层PCB设计,具有高可靠性和良好的EMC性能;
◆频率13.56MHz,支持ISO15693协议;
◆可对I.Code 2,Tag-it等卡片的读写操作;
◆读卡距离远,5~10cm;
◆多种通信接口,可选RS232、UART、SPI接口;
◆开发简单,可提供详尽的开发文档和完善的C51应用例程;
◆体积小巧,易于集成到设备中;
◆天线分体设计,应用更加灵活;
3.1极限参数
工作温度…………………………………………………………………………-20℃~+85℃
贮存温度……………………………………………………………………… -40℃~+125℃
供电电压(vcc to vss)…………………………………………………………-0.3V~+5.5V
管脚对地电压……………………………………………………………………-0.3V~+5.0V
每个管脚最大IOL………………………………………………………………… ±2mA
相对湿度 ………………………………………………………………………… 5%~95%
注:超出“绝对最大额定值”条件下工作会造成器件的永久损坏。以上未涉及器件在这些条件或超出这些条件下的功能操作。器件不能长时间在绝对最大额定值条件下工作,否则会影响其可靠性。
3.2直流特性
测试条件Temperature=+25℃。
表 3.1器件直流特性表
符号参数 测试条件最小值典型值最大值 单位
VCC工作电压 4.5 5.0 5.5 V
IDC1电流消耗正常模式 110 115 125 mA
IDC2电流消耗待机模式 20 22 35 mA
VIL 输入低电平 VSS VSS+0.6 V
VIH 输入高电平 0.8VCC VCC V
VOL输出低电平I(OLMAX)=-6mA VSS VSS+0.6V
VOH输出高电平I(OHMAX)=6mA VCC-0.6 VCC V
销售热线:020-87030040,18924129201, 18929502661,18924129401
微信:ivysun888/18924129201
地址:广东省广州市黄埔区黄埔东路3642号丰泽高新产业园B栋406-410
热门关键词:海康读码器,工业读码器,海康工业视觉相机,OCR字符扫描枪,固定式扫描器,
码上关注红杏网
当前位置: 